W-2025SUS
Cat:Transportor cu roți
Tip D*w*d*b Arbore Dimensiunea cadrului ...
Transportorul de roți, cunoscut și sub denumirea de șină de ghidare a ruloului sau de diapozitive cu role, este un instrument extrem de eficient utilizat pentru manipularea materialelor și liniile de producție de automatizare. Este de obicei compus din role și paranteze. Aceste role suportă și ghidează încărcături pentru o mișcare lină într -o direcție specificată.

Tip D*w*d*b Arbore Dimensiunea cadrului ...
| Tip | D*w*d*b | Arbore | Dimensiunea cadrului H*W1*W2*W3*t | Înălţime H | Lungime L | Roată P | Încărcare cu o singură roată (kg) | Tip de cadru |
| W-2025SUS | 20x25x6.1x27 | M6X35L | 25x30x9x39x1.5 | 27 | 1000 · 1500 · 2000 | 25 · 30 · 35 | 40 | A |

Tip D*w*d*b Arbore Dimensiunea cadrului ...
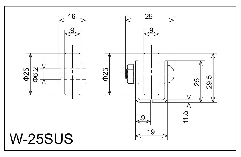
| Tip | D*w*d*b | Arbore | Dimensiunea cadrului H*W1*W2*W3*t | Înălţime H | Lungime L | Roată P | Încărcare cu o singură roată (kg) | Tip de cadru |
| W-25SUS | 25x9x6.2x16 | M6X25L | 25x19x9x29x1.5 | 29.5 | 1000 · 1500 · 2000 | 30 · 35 | 30 | A |

Tip D*w*d*b Arbore Dimensiunea cadrului ...
| Tip | D*w*d*b | Arbore | Dimensiunea cadrului H*W1*W2*W3*t | Înălţime H | Lungime L | Roată P | Încărcare cu o singură roată (kg) | Tip de cadru |
| W-2523SUS | 25x23x8.2x25 | M8X35L | 25x28x9x40x1.5 | 29.5 | 1000 · 1500 · 2000 | 30 · 35 | 50 | A |

Tip D*w*d*b Arbore Dimensiunea cadrului ...
| Tip | D*w*d*b | Arbore | Dimensiunea cadrului H*W1*W2*W3*t | Înălţime H | Lungime L | Roată P | Încărcare cu o singură roată (kg) | Tip de cadru |
| HG-W36SUS | 36x9x6.2x25 | M6X38L | 45x29x10x42x2.0 | 51 | 1800 · 2400 · 3000 | 50 · 75 · 100 · 150 | 40 | A |

Tip D*w*d*b Arbore Dimensiunea cadrului ...
| Tip | D*w*d*b | Arbore | Dimensiunea cadrului H*W1*W2*W3*t | Înălţime H | Lungime L | Roată P | Încărcare cu o singură roată (kg) | Tip de cadru |
| W-36CS-Sus | 36x9x8.2x28 | M8X40L | 42x60x32x45x2.0 | 47 | 1800 · 2400 · 3000 | 50,75 · 100 · 150 | 40 | J |

Tip D*w*d*b Arbore Dimensiunea cadrului ...
| Tip | D*w*d*b | Arbore | Dimensiunea cadrului H*W1*W2*W3*t | Înălţime H | Lungime L | Roată P | Încărcare cu o singură roată (kg) | Tip de cadru |
| W-36BW-SUS | 36x9x8.2x14 | M8X55L | 46x60x33 × 71 1.5 2.0 | 52 | 1800 · 2400 · 3000 | 50 · 75 · 100 · 150 | 40 | K |

Tip D*w*d*b Arbore Dimensiunea cadrului ...
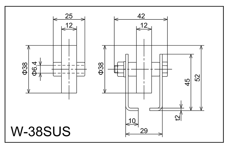
| Tip | D*w*d*b | Arbore | Dimensiunea cadrului H*W1*W2*W3*t | Înălţime H | Lungime L | Roată P | Încărcare cu o singură roată (kg) | Tip de cadru |
| W-38SUS | 38x12x6.4x25 | M6X38L | 45x29x10x42x2.0 | 52 | 1800 · 2400 · 3000 | 50 · 75 · 100 · 150 | 20 | A |

Tip D*w*d*b Arbore Dimensiunea cadrului ...
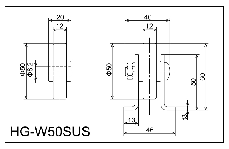
| Tip | D*w*d*b | Arbore | Dimensiunea cadrului H*W1*W2*W3*t | Înălţime H | Lungime L | Roată P | Încărcare cu o singură roată (kg) | Tip de cadru |
| HG-W50SUS | 50x12x8.2x20 | M8X35L | 50x46x13x40x3.0 | 60 | 1800 · 2400 · 3000 | 75 · 100 · 150 · 200 | 80 | C |

Tip D*w*d*b Orbore Dimensiunea cadrului ...
| Tip | D*w*d*b | Orbore | Dimensiunea cadrului H*W1*W2*W3*t | Înălţime H | Lungime L | Roată P | Încărcare cu o singură roată (kg) | Tip de cadru | Cauciuc |
| W-30RB | 30x9x6.2x16 | M6X27L | 25x19.2x9x31x1.6 | 33 | 1000 · 1500 · 2000 | 35 | 25 | A | NBR |

Tip D*w*d*b Orbore Dimensiunea cadrului ...
| Tip | D*w*d*b | Orbore | Dimensiunea cadrului H*W1*W2*W3*t | Înălţime H | Lungime L | Roată P | Încărcare cu o singură roată (kg) | Tip de cadru | Cauciuc |
| W-3812R | 38x28x12.2x32 | M12X50L | 35x38.4x13x58x3.2 | 43 | 1000 · 1500 · 2000 | 40 · 70 · 100 | 80 | A | NBR |

Tip D*w*d*b Arbore Dimensiunea cadrului ...
| Tip | D*w*d*b | Arbore | Dimensiunea cadrului H*W1*W2*W3*t | Înălţime H | Lungime L | Roată P | Încărcare cu o singură roată (kg) | Tip de cadru | Cauciuc |
| W-40RS | 40x9x8.2x28 | M8X40L | 42.3x60x32.6x45x2.3 | 49.3 | 1800 · 2400 · 3000 | 50 · 75 · 100 · 150 | 20 | J. | NBR |

Tip D*w*d*b Arbore Dimensiunea cadrului ...
| Tip | D*w*d*b | Arbore | Dimensiunea cadrului H*W1*W2*W3*t | Înălţime H | Lungime L | Roată P | Încărcare cu o singură roată (kg) | Tip de cadru | Cauciuc |
| WB-40RS | 40x9x8.2x28 | M8X40L | 42.3x60x31.2x45 × 23 | 51.3 | 1800 · 2400 · 3000 | 50 · 75 · 100 | 20 | F | NBR |
De ce întreținerea transportoarelor cu role influențează direct durata de viață a sistemului Trans...
CITEŞTE MAI MULTCe face ca un transportor cu role să fie cu adevărat rezistent? Un transportor cu role grele nu este d...
CITEŞTE MAI MULTCe sunt transportoarele cu role și de ce contează tipul? Transportoare cu role sunt sisteme d...
CITEŞTE MAI MULTDe ce transportoarele cu role rămân coloana vertebrală a manipulării materialelor Transportoare cu...
CITEŞTE MAI MULTSfaturi de întreținere și îngrijire pentru Transportor pentru roți
În timpul funcționării pe termen lung, transportoarele pot acumula praf, ulei și alte resturi, ceea ce nu numai că va crește frecarea, dar și va provoca uzură pe role și piste. Prin urmare, curățarea zilnică ar trebui să includă utilizarea presiunii aerului sau instrumente speciale pentru a îndepărta resturile de pe suprafața rolei pentru a asigura un contact neted între role și pistă. Mai ales atunci când aveți de -a face cu linii de producție cu materiale lipicioase sau în medii prăfuite, frecvența de curățare ar trebui să crească. În plus, verificarea regulată a stării rolelor și a rolelor pentru a se asigura că acestea nu sunt deformate sau deteriorate este un pas important în prevenirea defecțiunilor.
Rulourile și parantezele vor genera fricțiuni în timpul funcționării. Lipsa pe termen lung a unui lubrifiere adecvată va provoca o uzură excesivă și chiar blocarea pieselor. Alegerea lubrifiantului potrivit și lubrifierea în mod regulat în funcție de frecvența de utilizare poate reduce eficient uzura pieselor mecanice și menține echipamentul care funcționează fără probleme. În general, lubrifierea rolelor și a rulmenților trebuie verificată la fiecare trei luni pentru a se asigura că fiecare parte rotativă este complet lubrifiată. În plus, un lubrifiere adecvată nu poate doar să reducă uzura, ci și să reducă zgomotul în timpul funcționării echipamentului, creând un mediu de lucru mai liniștit.
Verificați frecvent încărcarea transportorului pentru a vă asigura că acesta funcționează în intervalul de încărcare nominal. Supraîncărcarea poate provoca daune sau deformarea rolelor sau chiar poate provoca eșecuri mai grave. Prin urmare, este necesar să verificați în mod regulat fiecare sistem de transmisie pentru a se asigura că acesta este în condiții normale de lucru, nu slăbit și nu produce zgomot anormal. Pentru transmiterea sistemelor care poartă adesea obiecte grele, este foarte important să verificați și să înlocuiți în mod regulat componente cheie, cum ar fi lanțuri de transmisie, role și centuri.
La Wuxi Huiqian Logistics Machinery Manufacturing Co., Ltd., înțelegem importanța echipamentelor de înaltă calitate în menținerea operațiunilor eficiente și fiabile. Înființată prin integrarea tehnologiei și expertizei avansate japoneze, compania noastră este specializată în producția și vânzările de role, transportoare cu role, transportoare de centură, cuști de depozitare, cărucioare de logistică, mini transportoare, cadre și rafturi. Situată în districtul național de dezvoltare a tehnologiei hixi-tech, instalația noastră este echipată cu un sistem robust de gestionare a calității, o forță de muncă calificată și echipamente de procesare de ultimă generație.
Noastre Transportor pentru roți , în special, sunt proiectate cu tehnologie avansată și fabricate folosind materii prime de înaltă calitate, sub control strict al calității. Aceste transportoare nu numai că funcționează excepțional de bine în capacitatea de încărcare, dar și optimizează contactul dintre role și piese, asigurând stabilitatea materială în timpul procesului de transport, reducând în același timp consumul de uzură și energie. Prin proiectarea gânditoare a produsului și un control precis al procesului, transportorii noștri mențin o funcționare stabilă pe termen lung chiar și în medii de lucru dure, minimizând frecvența de întreținere și scăderea costurilor de operare pentru întreprinderi.
Aplicații ascunse de Transportor pentru roți în viața de zi cu zi
Este posibil ca mulți oameni să nu -și dea seama că de fiecare dată când fac cumpărături, mărfurile sunt transportate de la depozite la rafturi sau chiar direct la contoarele de checkout, care nu pot fi separate de sprijinul sistemelor transportoare. În supermarketuri, mall -uri și centre de distribuție, un număr mare de transportoare cu roți funcționează în liniște, ajutând personalul să transporte eficient mărfurile în locații desemnate prin piste rulante. Aceste transportoare cu roți nu numai că îmbunătățesc în mod semnificativ eficiența operațională, dar reduc și intensitatea forței de muncă a manipulării manuale, minimizând potențialele erori și pierderi. În același timp, designul lor subliniază stabilitatea și durabilitatea, permițându -le să funcționeze eficient în medii de lucru ocupate pentru a se asigura că mărfurile sunt transmise și circulate în timp util.
Aplicații similare pot fi găsite și în centrele de fabricație, depozitare și sortare. Mai ales în sistemele logistice moderne, transportoarele cu rotile sunt o componentă indispensabilă. Acestea asigură procese de logistică lină prin transportarea și ghidarea unor cantități mari de colete, piese și mărfuri. În aceste câmpuri, transportoarele cu rotile gestionează diverse sarcini, de la colete mici până la mărfuri grele, care pot fi transportate fără probleme prin sisteme cu role. În special în perioada de vârf de vacanță sau în perioadele promoționale, depozitele și centrele de logistică se bazează puternic pe transportoarele cu rotile. Capacitatea lor eficientă de flux de bunuri previne efectiv întârzierile de transport.
La Wuxi Huiqian Logistics Machinery Manufacturing Co., Ltd., suntem mândri să contribuim la aceste operațiuni de logistică esențiale. Înființată prin integrarea tehnologiei și expertizei avansate japoneze, compania noastră este specializată în producția și vânzările de role de înaltă calitate, transportoare cu role, transportoare cu centuri, cuști de depozitare, cărucioare logistice, mini transportoare, cadre și rafturi. Cu sediul în districtul național de dezvoltare a tehnologiei hixi-tech, instalația noastră este echipată cu un sistem robust de gestionare a calității, o forță de muncă calificată și echipamente de procesare avansată, asigurându-se că fiecare produs îndeplinește cele mai înalte standarde de calitate și performanță.
Transportoarele noastre cu rotile, în special, prezintă avantaje mari în aceste scenarii de aplicare zilnică. Fabricate folosind tehnologie avansată și materiale cu role premium, pot gestiona materiale cu diferite greutăți și forme, în timp ce funcționează stabil în medii complexe. Indiferent dacă este vorba despre un cadru comercial de vânzare cu amănuntul care necesită operațiuni de înaltă frecvență sau un câmp de depozitare și logistică care solicită viteză și precizie, transportatorii noștri de roți oferă soluții de transport eficiente, netede și fiabile. Prin design inovator și control riguros al calității, produsele noastre susțin întreprinderile în realizarea operațiunilor logistice perfecte, reducerea costurilor și stimularea productivității.
Aducând meșteșugul în viitor.
Nr .60, Zhenhu North Road, Hudai Town, Districtul Binhu , Wuxi 214100, China