O ROLLER GROOV
Cat:O ROLLER GROOV
Tip Dimensiunea rolei Lățimea rolei Material cu r...
Structura avansată, performanță de înaltă calitate, ușor de utilizat, fiabilitate ridicată și durabilitate.
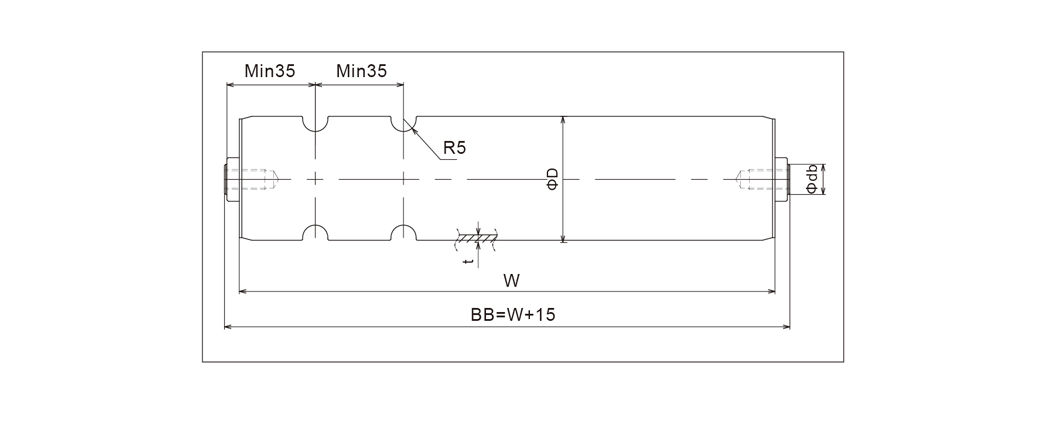
O role de canelură sunt utilizate pe scară largă în aplicații transportoare ușoare și de mare viteză, cum ar fi comerțul electronic și sistemele de sortare logistică. Sunt rentabile, cu zgomot redus și sunt potrivite pentru funcționarea de mare viteză, de obicei în diametre de 38 mm și 50 mm cu o adâncime de 5-6mm.
De ce întreținerea transportoarelor cu role influențează direct durata de viață a sistemului Trans...
CITEŞTE MAI MULTCe face ca un transportor cu role să fie cu adevărat rezistent? Un transportor cu role grele nu este d...
CITEŞTE MAI MULTCe sunt transportoarele cu role și de ce contează tipul? Transportoare cu role sunt sisteme d...
CITEŞTE MAI MULTDe ce transportoarele cu role rămân coloana vertebrală a manipulării materialelor Transportoare cu...
CITEŞTE MAI MULTAducând meșteșugul în viitor.
Nr .60, Zhenhu North Road, Hudai Town, Districtul Binhu , Wuxi 214100, China







