Role de acționare cu pinion cu un singur rând
Cat:Ruloul de acționare cu pinion
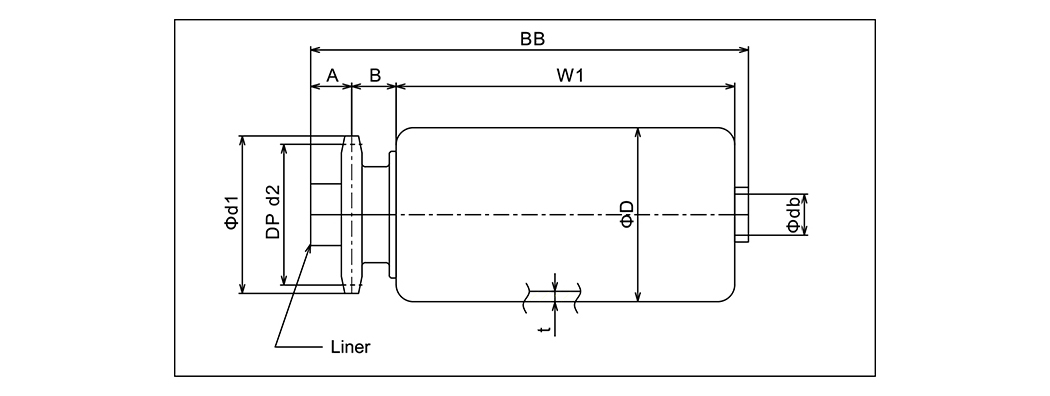
Tip Dimensiunea rolei Lățimea rolei Material cu r...
Structura avansată, performanță de înaltă calitate, ușor de utilizat, fiabilitate ridicată și durabilitate.
Rolele de acționare a pinionului pot fi configurații cu pinion unic sau dublu. Rolele de acționare cu pinion dublu sunt mai frecvente și oferă diverse capacități de încărcare bazate pe diametrul rolelor, grosimea peretelui și specificațiile pinionului, cu compatibilitate pentru pinioane standard europene, americane și naționale.

Tip Dimensiunea rolei Lățimea rolei Material cu r...
| Tip | Dimensiunea rolei | Lățimea rolei | Material cu role | Rulment | Diametrul arborelui | Dimensiunea căptușelii | Pinion | D. | D2 | O | B | W1 | BB |
| KR-384010s | 38.1 × 2.3 | 100 ~ 800 | Stkm | 6001zz · 6201z | 12.0 | 18 × 12.2 × 26 | #40 × 10ts | 46 | 41.1 | 12 | 14 | W-1 | W 28 |
| KR-424010s | 42,7 × 2.3 | 100 ~ 800 | Stkm | 6001zz · 6201z | 12.0 | 18x12.2 × 26 | #40 × 10ts | 46 | 41.1 | 12 | 14 | W | W 28 |
| KR-484010s | 48,6 × 3.5 | 100 ~ 800 | SGP40A | 6001zz · 6201z | 12.0 | 18 × 12.2 × 26 | #40 × 10ts | 46 | 41.1 | 12 | 11 | W 5 | W 28 |
| KR-504010S | 50,8 × 1.6 | 100 ~ 800 | Stkm | 6001zz · 6201z | 12.0 | 18 × 12.2 × 26 | #40 × 10ts | 46 | 41.1 | 12 | 13 | W-1 | W 28 |
| KR-574010S | 57.1 × 2.1 | 100 ~ 1000 | Stkm | 6001zz · 6201z | 12.0 | 18 × 12.2 × 26 | #40 × 10ts | 46 | 41.1 | 12 | 13 | W | W 28 |
| KR-604010S | 60,5 × 2.3 | 100 ~ 1000 | Stkm | 6001zz · 6201z | 12.0 | 18 × 12.2 × 26 | #40 × 10ts | 46 | 41.1 | 12 | 13 | W | W 28 |
| KR-605011S | 60,5 × 3. | 100 ~ 1000 | SGP50A | 6002zz | 15.0 | 21 × 15,2 × 41,5 · 21 × 15,2 × 12 | #50 × 11ts | 63 | 56.35 | 20 | 18 | W 3 | W 48 |
| KR-765011s | 76,3 × 4.2 | 100 ~ 1000 | SGP65A | 6002zz | 15.0 | 21 × 15,2 × 41,5 · 21 × 152 × 12 | #50 × 11ts | 63 | 56.35 | 20 | 18 | W 2 | W 48 |
| KR-605013S | 60,5 × 3.8 | 100 ~ 1000 | SGP50A | 6004zz | 20.0 | 29 × 20.2 × 38,5 · 29 × 20.2 × 15 | #50 × 13TS | 73 | 66.34 | 20 | 18 | W 1 | W 48 |
| KR-765013S | 76,3 × 4.2 | 100 ~ 1000 | SGP65A | 6004zz | 20.0 | 29x20.2x38.5 · 29 × 20.2 × 15 | #50 × 13TS | 73 | 66.34 | 20 | 18 | W 2 | W 48 |
| KR-895013S | 89.1 × 4.2 | 100 ~ 1000 | SGP80A | 6004zz | 20.0 | 29 × 20.2x38.5 · 29 × 202x15 | #50 × 13TS | 73 | 66.34 | 20 | 18 | W | W 48 |
| KR-1146014S | 114.3 × 4.5 | 300 ~ 2000 | SGP100A | 6205zz | 25.0 | 35 × 26 × 19 · 35 × 26 × 21 | #60 × 14ts | 93 | 85.61 | 20 | 23 | W | W 58 |
| KR-1406016S | 139.8 × 4.5 | 300 ~ 2000 | SGP125A | 6206zz | 30.0 | 38 × 31,1 × 19 · 38 × 31.1 × 21 | #60 × 16TS | 107 | 97.65 | 20 | 23 | W | W 58 |

Tip Dimensiunea rolei Lățimea rolei Material cu r...
| Tip | Dimensiunea rolei | Lățimea rolei | Material cu role | Rulment | Diametrul arborelui | Dimensiunea căptușelii | Pinion | D1 | D2 | O | B | C. | W1 | BB |
| KR-384010SW | 38.1 × 2.3 | 100 ~ 800 | Stkm | 6001zz · 6201z | 12.0 | 18 × 12,2 × 53 | #40 × 10TSW | 46 | 41.1 | 12 | 23 | 18 | W-1 | W 58 |
| KR-424010SW | 42,7 × 2.3 | 100 ~ 800 | Stkm | 6001zz · 6201z | 12.0 | 18 × 12,2 × 53 | #40 × 10TSW | 46 | 41.1 | 12 | 23 | 18 | W | W 58 |
| KR-484010SW | 48,6 × 3.5 | 100 ~ 800 | SGP40A | 6001zz · 6201z | 12.0 | 18 × 12,2 × 53 | #40 × 10TSW | 46 | 41.1 | 12 | 23 | 15 | W 5 | W 58 |
| KR-504010SW | 50,8 × 1.6 | 100 ~ 800 | Stkm | 6001zz · 6201z | 12.0 | 18 × 12,2 × 53 | #40x10TSW | 46 | 41.1 | 12 | 23 | 18 | W-1 | W 58 |
| KR-574010SW | 57.1 × 2.1 | 100 ~ 1000 | Stkm | 6001zz · 6201z | 12.0 | 18 × 12,2 × 53 | #40 × 10TSW | 46 | 41.1 | 12 | 23 | 18 | W | W 58 |
| KR-604010SW | 60,5 × 2.3 | 100 ~ 1000 | Stkm | 6001zz · 6201z | 12.0 | 18 × 12,2 × 53 | #40 × 10TSW | 46 | 41.1 | 12 | 23 | 18 | W | W 58 |
| KR-605011SW | 60,5 × 3.8 | 100 ~ 1000 | SGP50A | 6002zz | 15.0 | 21x15.2 × 66,5 · 21 × 15.2x12 | #50 × 11TSW | 63 | 56.35 | 20 | 25 | 18 | W 3 | W 7 |
| KR-765011SW | 76,3 × 4.2 | 100 ~ 1000 | SGP65A | 6002zz | 15.0 | 21 × 15,2 × 66,5 · 21 × 15,2 × 12 | #50 × 11TSW | 63 | 56.35 | 20 | 25 | 18 | W 2 | W 73 |
| KR-605013SW | 60,5 × 3.8 | 100 ~ 1000 | SGP50A | 6004zz | 20.0 | 29 × 20.2 × 63,5 · 29 × 20.2 × 15 | #50 × 13TSW | 73 | 66.34 | 20 | 25 | 18 | W 1 | W 73 |
| KR-765013SW | 76,3 × 4.2 | 100 ~ 1000 | SGP65A | 600422 | 20.0 | 29 × 20.2 × 63,5 · 29 × 20.2x15 | #50 × 13TSW | 73 | 66.34 | 20 | 25 | 18 | W 2 | W 73 |
| KR-895013SW | 89.1 × 4.2 | 100 ~ 1000 | SGP80A | 6004zz | 20.0 | 29 × 20.2 × 63,5 · 29 × 20.2 × 15 | #50 × 13TSW | 73 | 66.34 | 20 | 25 | 18 | W | W 73 |

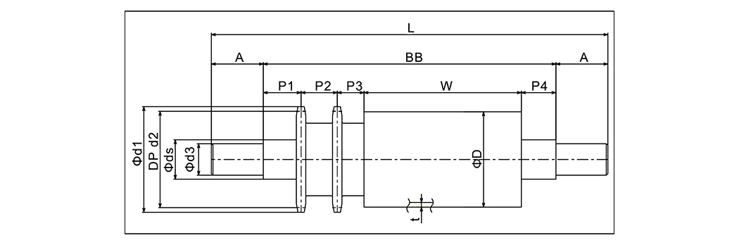
Tip Dimensiunea rolei Lățime de role Matenal cu r...
| Tip | Dimensiunea rolei | Lățime de role | Matenal cu role | Bearng | Diametrul arborelui | Pinion | D1 | D2 | D3 | O | L | BB | P1 | P2 | P3 | P4 |
| KPR-574015SW | 57,2 × 2.6 | 300 ~ 2000 | Stkm | UCPA204 | 25xw 152 | #40 × 15TSW | 67 | 61.08 | 20 | 33 | W 152 | W 86 | 24 | 23 | 17 | 22 |
| KPR-604015SW | 60,5 × 3.8 | 300 ~ 2000 | Stkm | UCPA204 | 25xw 152 | #40 × 15TSW | 67 | 61.08 | 20 | 33 | W 152 | W 86 | 24 | 23 | 17 | 22 |
| KPR-765013SW | 76,3 × 4.2 | 300 ~ 2000 | SGP65A | UCPA204 | 25xw 163 | #50 × 13TSW | 73 | 66.34 | 20 | 33 | W 163 | W 97 | 32 | 25 | 18 | 22 |
| KPR-895013SW | 89.1 × 4.2 | 300 ~ 2000 | SGP80A | UCPA206 | 35xw 169 | #50 × 13TSW | 73 | 66.34 | 30 | 39 | W 169 | W 91 | 29 | 25 | 18 | 19 |
| KPR-1015018SW | 101.6 × 4.5 | 300 ~ 2000 | SGP90A | UCPA206 | 35xw 169 | #50 × 18TSW | 98 | 91.42 | 30 | 39 | W 169 | W 91 | 29 | 25 | 18 | 19 |
| KPR-1145018SW | 114.3 × 4.5 | 300 ~ 2000 | SGP100A | UCPA206 | 35xw 169 | #50 × 18TSW | 98 | 91.42 | 30 | 39 | W 169 | W 91 | 29 | 25 | 18 | 19 |
| KPR-1405018SW | 139.8 × 4.5 | 300 ~ 2000 | SGP125A | UCPA206 | 35xw 169 | #50 × 18TSW | 98 | 91.42 | 30 | 39 | W 169 | W 91 | 29 | 25 | 18 | 19 |
De ce întreținerea transportoarelor cu role influențează direct durata de viață a sistemului Trans...
CITEŞTE MAI MULTCe face ca un transportor cu role să fie cu adevărat rezistent? Un transportor cu role grele nu este d...
CITEŞTE MAI MULTCe sunt transportoarele cu role și de ce contează tipul? Transportoare cu role sunt sisteme d...
CITEŞTE MAI MULTDe ce transportoarele cu role rămân coloana vertebrală a manipulării materialelor Transportoare cu...
CITEŞTE MAI MULTAducând meșteșugul în viitor.
Nr .60, Zhenhu North Road, Hudai Town, Districtul Binhu , Wuxi 214100, China







