Transportor cu role cu motor SST-TC DC
Cat:Transportor cu role electrice cu motor
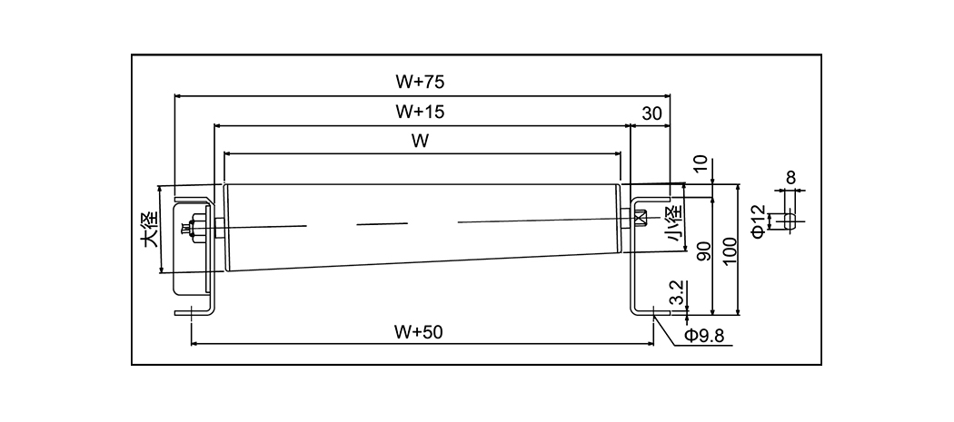
Lățimea rolei 500 600 700 800 ...
Transportorul cu role de motor este un tip de transportor în care rolele electrice înlocuiesc motorul de acționare tradițional pentru a roti rolele. Acest design maximizează economiile de spațiu, ceea ce îl face în special potrivit pentru transportoarele și aplicațiile cu mai multe niveluri care necesită înălțimi ultra-mici. Rolele de motor sunt clasificate în două tipuri pe baza tensiunii: AC (curent alternativ) și DC (curent direct) .
De ce întreținerea transportoarelor cu role influențează direct durata de viață a sistemului Trans...
CITEŞTE MAI MULTCe face ca un transportor cu role să fie cu adevărat rezistent? Un transportor cu role grele nu este d...
CITEŞTE MAI MULTCe sunt transportoarele cu role și de ce contează tipul? Transportoare cu role sunt sisteme d...
CITEŞTE MAI MULTDe ce transportoarele cu role rămân coloana vertebrală a manipulării materialelor Transportoare cu...
CITEŞTE MAI MULTCum fac Wuxi Huiqian Logistics Machinery Manufacturing Co., Ltd. Transportoare cu role cu motor gestionați acumularea de produse sau întârzieri?
În mediile logistice și de fabricație rapide de astăzi, manipularea eficientă a acumulării de produse și a întârzierilor este crucială pentru menținerea operațiunilor lină și pentru prevenirea întârzierilor. Wuxi Huiqian Logistics Machinery Manufacturing Co., Ltd., lider în producția de echipamente logistice, oferă o soluție inovatoare pentru aceste provocări cu acestea Transportor motorizat . Aceste transportoare, alimentate de role electrice integrate, oferă performanțe superioare în gestionarea fluxului de produse, în special în sisteme și aplicații cu mai multe niveluri cu spațiu limitat.
Despre Wuxi Huiqian Logistics Machinery Manufacturing Co., Ltd.
Fondată în Wuxi, China, Wuxi Huiqian Logistics Machinery Manufacturing Co., Ltd. s-a specializat în producerea de utilaje și echipamente logistice de înaltă calitate timp de mai mulți ani. Ofertele companiei includ o gamă largă de produse, cum ar fi role, transportoare cu role, transportoare de centură, cuști de depozitare, cărucioare logistice, mini transportoare, cadre și rafturi. Cu accent pe integrarea tehnologiei japoneze avansate, compania și-a câștigat o reputație pentru producerea de utilaje fiabile și de înaltă performanță.
Situată în districtul național de dezvoltare a tehnologiei hixi-tech, compania beneficiază de un transport convenabil și o gamă completă de instalații înconjurătoare care susțin o producție și distribuție eficientă. Wuxi Huiqian aderă la un sistem riguros de gestionare a calității (QMS) și folosește o forță de muncă cu înaltă calificare, asigurându -se că fiecare produs respectă cele mai înalte standarde de calitate.
Transportoare cu role cu motor: Cheia pentru gestionarea întârzierilor produsului
În operațiunile de logistică și de fabricație, acumularea de produse sau întârzieri apar atunci când elementele se stivuiesc în diferite puncte de -a lungul liniei de producție sau transport din cauza ineficiențelor, limitărilor echipamentelor sau modificărilor vitezei de procesare. Fără un gestionare adecvată, întârzieri pot duce la întârzieri, creșterea costurilor forței de muncă și daune potențiale aduse mărfurilor.
Aici intră în joc transportoarele cu role cu motor. Aceste transportoare, alimentate de motoare electrice construite direct în role, oferă o soluție eficientă în spațiu, cu profil scăzut, pentru a gestiona întârzieri într-o manieră extrem de eficientă.
Cum Transportoare cu role motorizate Ajută la gestionarea acumulării de produse:
Role de motor integrate pentru o funcționare lină: designul unic al Transportoare cu role cu motor implică integrarea motorului de antrenare în rolele în sine. Acest lucru elimină nevoia de motoare, curele și lanțuri externe, ceea ce duce la un sistem transportor mai compact, simplificat. În medii strânse sau cu mai multe niveluri, acest design asigură că sistemul funcționează fără probleme fără a consuma spațiu excesiv-o caracteristică esențială atunci când se manipulează acumularea de produse.
Controlul precis al fluxului de produs: transportoarele cu role de motor oferă un control mai bun asupra fluxului de produs în comparație cu sistemele tradiționale. Capacitatea de a gestiona cu precizie viteza și direcția rolelor ajută la prevenirea blocajelor și a copiilor de rezervă a produselor, asigurându -se că elementele continuă să se deplaseze în ritmul corect. Prin prevenirea supraîncărcării în diferite puncte de -a lungul transportorului, rolele electrice reduc probabilitatea de blocaje de produse și de întârziere.
Reglarea vitezei flexibile: Unul dintre beneficiile cheie ale transportoarelor cu role de motor este capacitatea de a regla cu ușurință viteza. Această caracteristică este crucială în prevenirea întârzierilor, deoarece permite gestionarea fluxului ca răspuns la modificările vitezei de producție. Dacă o acumulare de produse începe să se formeze într -o anumită etapă, viteza transportorului poate fi ajustată pentru a atenua congestionarea, permițând elementelor să continue să se deplaseze eficient prin sistem.
Savarea spațiului și proiectarea cu profil scăzut: transportoarele cu role cu motor sunt deosebit de benefice în mediile în care spațiul este limitat. Proiectarea lor compactă, cu profil scăzut, le face potrivite pentru spații strânse, sisteme cu mai multe niveluri sau zone în care garda aeriană este o preocupare. Această capacitate de a opera în spații constrânse, fără a compromite performanțele, este de neprețuit în abordarea acumulării de produse, în special atunci când produsele trebuie să fie stivuite sau sortate într -o zonă limitată.
Eficiența energetică și funcționarea liniștită: spre deosebire de sistemele transportoare tradiționale care pot necesita motoare externe, angrenaje sau scripete, Transportoare cu role motorizate sunt alimentate direct de rolele în sine, ceea ce le face extrem de eficiente din punct de vedere energetic. Lipsa componentelor suplimentare reduce, de asemenea, nivelul de zgomot, oferind un mediu de lucru mai liniștit și mai plăcut, care poate fi deosebit de benefic în mediile care necesită o funcționare continuă.
Siguranța îmbunătățită a produsului: prin prevenirea acumulării excesive de produse și asigurarea unei mișcări netede și consistente, transportoarele cu role de motor reduc riscul de deteriorare a produsului, ceea ce este adesea o preocupare atunci când elementele se blochează sau sunt mutate forțat în sisteme tradiționale. Operația lor fiabilă reduce la minimum riscul ca elementele să fie deteriorate în timpul procesului de manipulare.
Tipuri de role electrice și rolul lor în manipularea produselor
Rolele electrice pot fi clasificate în două tipuri pe baza tipului de curent electric pe care îl folosesc: AC (curent alternativ) și DC (curent direct). Fiecare tip are avantajele sale specifice în funcție de aplicație și de nivelul de control necesar.
Rolele de motor AC sunt ideale pentru aplicații cu volum ridicat sau de mare durată, unde este necesară o funcționare continuă. Sunt mai durabile și mai rentabile, ceea ce le face o alegere excelentă pentru sistemele transportoare sau medii la scară largă, cu cerințe de flux consistente.
Rulele de motor DC sunt preferate atunci când este necesar un control precis al vitezei. Capacitatea lor de a oferi o funcționare mai ușoară și ajustări variabile ale vitezei le face ideale pentru aplicații în care produsele trebuie să fie gestionate delicat sau unde apar frecvente operațiuni de pornire/oprire.
Concluzie: Gestionarea acumulării de produse cu transportoarele motorii ale lui Wuxi Huiqian
Wuxi Huiqian Logistics Machinery Manufacturing Co., Ltd. oferă o soluție robustă la problema comună a acumulării de produse și a întârzierilor cu transportoarele sale cu role de motor. Prin integrarea tehnologiei avansate și furnizarea de proiecte de economisire a spațiului, eficientă din punct de vedere energetic, aceste transportoare ajută la optimizarea fluxului de materiale într-o varietate de industrii, de la fabricație la distribuție.
Capacitatea de a controla cu precizie viteza, direcția și distanțarea produselor nu numai că asigură o funcționare lină, dar împiedică și blocajele și blocajele, minimizând timpul de oprire și îmbunătățind eficiența generală. Fie în spații strânse, sisteme cu mai multe niveluri sau operațiuni cu volum mare, transportoarele cu role de motor oferă o soluție flexibilă și fiabilă pentru gestionarea fluxului de produse și eliminarea întârzierilor.
Dacă doriți să vă optimizați procesele de logistică și să gestionați mai eficient acumularea de produse, transportoarele cu role de motor Wuxi Huiqian sunt răspunsul. Contactați -ne astăzi pentru a afla mai multe despre modul în care produsele noastre vă pot îmbunătăți operațiunile și vă pot îmbunătăți eficiența generală.
Aducând meșteșugul în viitor.
Nr .60, Zhenhu North Road, Hudai Town, Districtul Binhu , Wuxi 214100, China



